數控車床車削加工Q235鋼球體工藝卡
作者:車床加工-CNC零件-數控機械加工手板-東莞市雅迅電子五金制品有限公司 發布日期:2018-11-17 17:42
TAG關鍵詞:東莞CNC加工,軸加工,五金產品,車床加工廠,車加工,不銹鋼加工,車削加工,五金件加工,車床件加工,銅件,鈦加工,配件加工,深圳五金加工廠,
數控車床車削加工Q235鋼球體工藝卡
| 慷鼎五金 | 數控車床加工工藝卡 | 產品型號 | 零件號 | 零件名稱 | 件數 | 第1頁 | |||||||||
| 實訓產品 | CG002 | 球體 | 1件 | 共1頁 | |||||||||||
| 零件加工路線 |
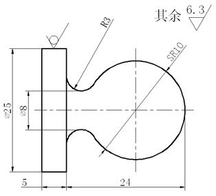
![]() |
零 件 規 格 | |||||||||||||
|
車間 D-3 |
工序 | 材料 | Q235鋼 Φ25圓棒 | ||||||||||||
| 庫房 | 下料 | 重量 | 0.14 kg | ||||||||||||
| 車工 | 去毛刺 |
毛坯料尺寸: Φ25×34mm |
|||||||||||||
| 車工 | 粗車 | 零件技術要求 | |||||||||||||
| 車工 | 精車 | 1. 表面無毛刺 | |||||||||||||
| 車工 | 去毛刺 | ||||||||||||||
| 檢驗室 | 檢驗 | ||||||||||||||
| 序號 |
工步 名稱 |
設備名稱 |
設備 型號 |
工具編號 |
工具 名稱 |
工序內容 | 單位工時 | 備注 | |||||||
| 1 | 找正 夾緊 | 普 通 車 床 | CA6136 | 三爪卡盤、卡盤、刀架扳手 | 夾持毛坯外圓伸出40找正夾緊 | 2min | |||||||||
| 2 | 劃線 | 普通R圓弧刀、銼刀等 | 劃線長分別為10、20、24處 | 2min | |||||||||||
| 3 | 切槽 | 圓弧刀在20至24長位置上移動切槽至Φ8 | 5min | ||||||||||||
| 4 | 車球面 | 車前面R10,車后面R10 | 15min | R規R10 | |||||||||||
| 5 | 銼光切斷 | 用銼刀銼光球面后到總長切斷,去毛頭 | 5min | ||||||||||||
| 6 | 檢驗 | 0~150mm游標卡尺 | 5min | ||||||||||||
| 編制 | 鄒發金 | 審核 | 批準 | 會簽 | 編制日期 | 2005.5 | |||||||||
- 上一篇:齒坯、齒輪的機械加工精車外圓、端面、切槽
- 下一篇:沒有了











