TAG關鍵詞:
1.目的
鈑金工廠最重要的三個步驟是剪、沖/切、折。而零件連接固定是鈑金成型的基礎,我們的工程師總結出鈑金零件常用連接方式, 以便于工程設計人員在設計中參考選用,以提升效率,降低成本.
2.各種連接方式及規格介紹
鈑金零件之間的連接方式主要有:鎖螺絲,拉釘拉鉚,抽孔鉚合,卡鉤卡位,點焊和鉸鏈連接等.下面逐一討論:
⑴鎖螺絲:鎖螺絲是目前我們最常用到的連接方式
① 原理:在相連的兩零件中,有一個零件上開抽牙孔,另一個零件上僅沖孔;在抽牙孔上攻牙(攻牙有兩種方式:自攻—用自攻螺絲在鎖螺絲的時候同時攻牙;用攻牙機攻牙.)最后用螺絲連接.(如圖1所示.)
如圖1所示
② 優點: 可以多次拆裝,也比較容易拆裝
③ 缺點: 多出品質問題,如螺絲本身不良,抽牙孔和攻牙孔質量不易保證,滑牙導致鐵件報廢或螺絲脫落,漏鎖等;螺絲數目偏多會使組裝線長,需要人力多,成本高而效率低;鐵件模具較復雜,模具費用高,且攻牙時,攻一個牙的加工費用為0.05HKD.
④ 適用范圍: 機器中有拆卸需要的零件連接(如UPS中外蓋與主結構等).
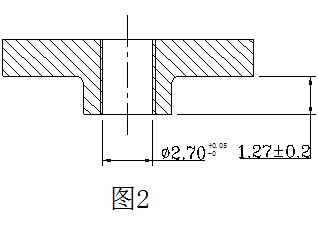
⑤ 規格參數: 目前M3螺絲多有使用,下面對其抽牙孔規格(未攻牙)進行說明:
抽牙孔的主要參數有抽牙孔徑和抽牙高度;抽牙孔徑主要配合不同型號的螺絲,抽牙高度用來滿足攻牙牙數(攻牙不少于2.5個全牙,以保證螺絲連接的牢固).
M3螺絲的抽牙孔規格如圖2所示(該圖適用0.9mm,1.2mm,1.5mm三種料厚的材料.與之相配的另一上沖件沖孔直徑為Φ4.2mm).

(2)拉釘拉鉚:
① 原理:如圖3所示,將拉釘插入兩個零件的對應孔內,用拉釘槍拉動拉桿4(直至拉斷),拉桿頭1向下運動,使其外包的拉釘套3外漲變大,大于孔的直徑,從而達到連接兩零件的目的.

②優點:只需在零件上開拉鉚孔,模具結構簡單;連接質量好;組裝線短(因拉鉚動作可由供應商完成),人力成本低.
③ 缺點: 零件成本略高,每個拉釘約0.1HKD;連接后頭部具有一定高度,連接面背面無法完全平整.
④ 適用范圍: 主要用于沖件和沖件,沖件自身的連接,用于不需拆裝的零件連接.
⑤ 規格參數: 拉釘分為兩種:平頭拉釘和傘頭拉釘(如圖4).平頭拉釘主要用于表面要求高,表面不得有凸出的沖件連接.沖件上有1200 錐孔鑲嵌平頭拉釘的平頭,使其平頭不露出沖件表面.拉釘和拉釘孔的部分規格參數如表1所示.
拉釘及拉釘孔規格:
1.按材質分類:不銹鋼、鐵、鋁,銅等。
2.按結構分類:開口型拉釘,封閉型拉釘,結構型拉釘(內鎖拉絲鉚釘,外鎖拉絲鉚釘,單鼓型拉釘,多鼓型拉釘,燈籠拉釘,輕樂型拉釘/海馬釘,拉花型拉釘,環槽鉚釘等),鉚槍,鉚螺母等鉚接工具。
3.按頭型分類:扁圓頭、沉頭,大扁圓頭。
4.按尺寸分類(mm):鉚管直徑有:2.4,3.2,4.0,4.8,5.0,6.4。鉚管長度:6,8,10,12,16,2,25,30。可為客戶定制非標產品。
(3)抽孔鉚合:
① 原理:如圖5所示零件1(帶有沙拉孔)和零件2(帶有抽牙孔)配合,用模具使抽牙孔漲開,填充沙拉孔的角孔內,使兩零件連接成一個整體.
② 優點: 無需增加零件,鉚合強度高;使用模具鉚合,生產效率高.
③ 缺點: 質量不易保證;一次性連接,不可拆卸.
④ 適用范圍: 無需拆卸的沖件連接;沖件自身的連接.
⑤ 規格參數: 抽孔鉚合規格參數與帶沙拉孔的零件(如圖5零件1)的料厚有關.不同的料厚有不同的規格參數.下面根據沙拉孔零件的料厚(0.9,1.2,1.5mm)來分別說明,見表2.
|
料厚(mm) 參數(mm |
0.9 |
1.2 |
1.5 |
|
a(max) |
0.5 |
0.8 |
1.0 |
|
b |
1.5 |
1.7 |
2.0 |
表2
其余詳細規格尺寸見圖5.
(4)點焊:
① 優點: 點焊連接緊固,為供應商完成,便于生產線作業,成本低(約點焊一處0.05HKD);零件無需復雜結 構,模具簡單
② 缺點: 對零件形狀有一定要求,此問題在設計階段應充分注意,空間較大的零件連接可盡量考慮此方 法.
(5)卡鉤卡位:
① 特點: 卡鉤卡位連接方式一般起預定位作用,不能直接緊固零件,通常與鎖螺絲和拉釘拉鉚等連接方式配合使用.
② 結構說明: 卡鉤卡位連接的結構包括卡鉤和卡槽,下面圖6(a)(b)所列卡鉤形式中卡鉤和卡槽非一一對應,根據需要可以交錯配對.圖6(b)所列用于連接要求不是很牢固的零件連接.

③ 規格參數: 由于卡鉤卡位的連接方式定位并不是很牢固,并且通常與其它連接方式合用,所以它的具體規格參數靈活多變,配合要求寬松.圖7所示的規格參數可以在設計時參考,它適用于各種形式的卡鉤卡位連接.
W2=6.0mm或10.0mm(一般零件取6.0,若零件較大可取10.0)
W1=W2+0.3 , B1=W2+3.0 , T1=所要卡住的厚度, T2=T1+0.1
A=20°
注:長度單位為mm
圖7(6)鉸鏈連接:
鉸鏈連接方式在電腦機箱中使用較多,我們很少用到,這里做簡單介紹
① 優點: 被連接的零件可以繞軸轉動,拆裝方便.
② 缺點: 零件較多,成本較高
③ 結構說明: 如圖8示,鉸鏈連接方式中含有鉸鏈支架.鉸鏈支架通過拉釘或螺絲固定在一個零件上.另一個零件上有鉸鏈套孔,鉸鏈支架與鉸鏈套孔通過轉軸連接,卡圈將轉軸卡在支架上,防止其脫落.
④ 參數規格: 設計時如下尺寸可以參考:轉軸直徑根據所連接的零件的大小,考慮其強度而定.鉸鏈支架工作孔的孔徑比鉸鏈轉軸直徑大0.5-1.0mm,鉸鏈套孔的內徑比鉸鏈轉軸直徑大0.2-0.5mm..


CNC加工
CNC加工,數控加工,精密機械加工,電腦鑼,數控機床加工
特點:
1,CNC加工中心是高效、高精度數控機床,工件在一次裝夾中便可完成多道工序的加工,同時還備有刀具庫,并且有自動換刀功能。CNC加工中心能實現三軸或三軸以上的聯動控制,以保證刀具進行復雜表面的加工。CNC加工中心除具有直線插補和圓弧插補功能外,還具有各種加工固定循環、刀具半徑自動補償、刀具長度自動補償、加工過程圖形顯示、人機對話、故障自動診斷、離線編程等功能。
2,大量減少工裝數量,加工形狀復雜的零件不需要復雜的工裝。如要改變零件的形狀和尺寸,只需要修改零件加工程序,適用于新產品研制和改型。
3,加工質量穩定,加工精度高,重復精度高,適應飛行器的加工要求。
4,可加工常規方法難于加工的復雜型面,甚至能加工一些無法觀測的加工部位。

五金沖壓
五金沖壓,拉伸件,五金件,沖壓件,五金加工,五金制品,沖壓加工,精密沖壓件,沖壓件加工,沖壓模具,五金加工廠,五金沖壓廠,旋壓加工
五金沖壓就是利用沖床及模具將不銹鋼,鐵,鋁,銅等板材及異性材使其變形或斷裂,達到具有一定形狀和尺寸的生產工藝。沖壓工藝大致可分為分離工序和成形工序(又分彎曲、拉深、成形)兩大類。按照沖壓時的溫度情況有冷沖壓和熱沖壓兩種方式。

車床加工
車床加工是機械加工的一部份,主要有兩種加工形式:一種是把車刀固定,加工旋轉中未成形的工件,另一種是將工件固定,通過工件的高速旋轉,車刀(刀架)的橫向和縱向移動進行精度加工。在車床上還可用鉆頭、擴孔鉆、鉸刀、絲錐、板牙和滾花工具等進行相應的加工。車床主要用于加工軸、盤、套和其他具有回轉表面的工件,是機械制造和修配工廠中使用最廣的一類機床加工

軸加工
常見的軸根據軸的結構形狀可分為曲軸、直軸、軟軸、實心軸、空心軸、剛性軸、撓性軸(軟軸)。直軸又可分為:
1,轉軸,工作時既承受彎矩又承受扭矩,是機械中最常見的軸,如各種減速器中的軸等。
2,心軸,用來支承轉動零件只承受彎矩而不傳遞扭矩,有些心軸轉動,如鐵路車輛的軸等,有些心軸則不轉動,如支承滑輪的軸等。
3,傳動軸,主要用來傳遞扭矩而不承受彎矩,如起重機移動機構中的長光軸、汽車的驅動軸等。軸的材料主要采用碳素鋼或合金鋼,也可采用球墨鑄鐵或合金鑄鐵等。軸的工作能力一般取決于強度和剛度,轉速高時還取決于振動穩定性。

鈑金加工
鈑金加工,鈑金加工廠家,不銹鋼鈑金加工,機箱鈑金加工,鈑金廠家,精密鈑金加工,鈑金廠,深圳鈑金加工,東莞鈑金加工,鈑金折彎加工
鈑金是針對金屬薄板(通常在6mm以下)一種綜合冷加工工藝,包括剪、沖/切/復合、折、鉚接、拼接、成型(如汽車車身)等。
鈑金加工是包括傳統的切割下料、沖裁加工、彎壓成形等方法及工藝參數,又包括各種冷沖壓模具結構及工藝參數、各種設備工作原理及操縱方法,還包括新沖壓技術及新工藝。










